欢迎光临广东会风机官方网站。提供优质罗茨鼓风机罗茨风机回转式鼓风机星型供料器,气力输送设备等产品

罗茨风机工作原理完美图示

罗茨风机工作原理完美图示

山东广东会有限公司是一家专业生产罗茨风机罗茨鼓风机等机械设备公司,位于有“铁匠之乡”之称的山东省章丘市相公镇,近年来,广东会致力于新产品的研发,新产品双油箱罗茨鼓风机、水冷罗茨鼓风机、油驱罗茨鼓风机、低噪音罗茨鼓风机,赢得了市场好评和认可。此类产品已广泛应用于电力、污水处理、环保、化工、钢铁、建材、农药、制药等行业。产品和服务远销全国各地及东南亚,深受客户好评。

罗茨风机属于容积式回转风机,主要的动力来源为电机、柴油机或者电机柴油混合式, 选型的主要参数有风量、压力、转速、电机功率等,今天要和大家分享的知识是其工作原理,该文会从罗茨风机的结构形式、工作原理、注意事项等方面,为大家详细讲解罗茨风机的工作原理。
1、结构形式
一台普通的三叶罗茨风机,主要由两部分构成:驱动机和机头,驱动机是风机的动力来源,可以是电机也可以是柴油机,机头是罗茨风机的主要工作组件,通过有规律的运转,以达到气体输送的目的。
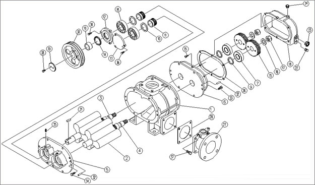
想要了解罗茨风机的工作原理,必须对罗茨风机的机头结构有充分的了解,机头的主要组成部分有:墙板、机壳、主动叶轮、从动叶轮、主动从动齿轮、主副油箱、轴承等,为了大家对罗茨风机的结构有清洗的认知,小编特意整理了一份结构图供大家参考,如下所示:3

2、工作原理
罗茨风机有两个叶轮(图二,圈中部分),在电机带动下,两个叶轮会相向转动,当叶轮转过进气口之后,两个叶轮和墙板及机壳之间会形成一个密封的腔室,叶轮继续转动,密封腔室里面的空气会被压入排气口,如此反复经过进气口和排气口,将外界空气输送至目的地。

叶轮与叶轮、叶轮与墙板、叶轮与机壳之间会存在一定的间隙,该间隙有固定标准和误差,误差过大会产生其他相应的故障问题。在叶轮经过排气口时,在管道前方压力的作用下,会将部分气体通过间隙泄漏至外界,这样的泄漏,我们称之为内泄漏。
罗茨风机的具体的工作原理流程请看下图:

1

罗茨风机工作原理图

3、注意事项
罗茨风机属于容积式风机,所以,在运转起来之后,风量基本不会发生变化,当前方压力稍有变化时,也能够持续进行空气输送。
在长期使用之后,罗茨风机的风量会发生变化,多为风量减小,引起的主要原因是:叶轮与叶轮间隙、叶轮与墙板间隙、叶轮与机壳间隙发生了变化,造成内泄漏增大,进而影响罗茨风机的风量。
为了保证罗茨风机正常工作运转,风机的其他组件也起到了非常重要的作用,如:轴承、齿轮等,配合工作的组件出现了异常故障,对风机的运转也会造成很大的影响。所以,后期使用维护中,不仅要对重要组件进行细致维护,其他的配合组件也要定期进行养护!

拆装图
罗茨鼓风机的工作原理很简单,辅助一些图片,我们能够对其工作原理有清洗的认知,在理解罗茨风机的工作原理时,首先要掌握其基本结构,然后再去掌握其运转原理,这样就能够很好的掌握罗茨风机的工作原理了。

广东会罗茨风机说明书中文版

山东广东会有限公司地址:山东省章丘市经济开发区电话:0531-83825699传真:0531-8321120524小时销售服务电话:15066131928(来自:罗茨风机,罗茨鼓风机,罗茨真空泵,三叶罗茨鼓风机,回转式鼓风机,回转风机/)

山东广东会有限公司
地址:山东省章丘市经济开发区
电话:0531-83825699
传真:0531-83211205
24小时销售服务电话:15066131928


上一篇:
下一篇:
广东会最受信赖的罗茨风机回转风机品牌
版权所有:Copright ? www.bestblower.com 山东广东会有限公司
备案信息:鲁ICP备11005584号-5 ?
地址:山东省章丘市相公工业园
电话:0531-83825699传真:0531-83211205 E-mail: sdroo@163.com 网站地图
罗茨风机咨询电话